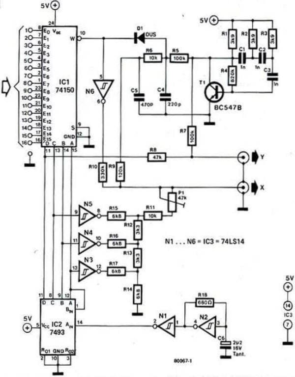
Un circuit appelé "DIGISPLAY", paru il y a 40 ans déjà, en mars 1980, dans la revue "ELEKTOR". Je l'ai construit dans les années 90, un temps où les circuits logiques de la série 7400, suivi par les CMOS série 4000, régnaient en maître. Celui-ci, accompagné d'un oscilloscope permet de visualiser, à l'aide de 0 ou de 1, le niveau logique sur les pattes de ces circuits alimentés par une tension de 5V.
Lorsque j'ai réalisé ma boîte d'expérimentation, il y a trouvé naturellement sa place. Si l'envie vous prenait de réaliser ce petit circuit, veillez à trouver les circuits intégrés nécessaires, en particulier le 74150, qui se font rares. Le dessin du circuit n'est pas à l'échelle, imprimer le, et vérifier les empreintes. Ensuite réimprimer en réglant l'échelle en conséquence. L'ensemble tient dans une boîte de taille moyenne (120 X 80 X 40).









Mode Display Full

Un 7400 monté sur boîte d'expérimentation avec les entrées niveau 1