AUTOGUIDAGE & COMMANDE APN
Cliquez sur les images pour les agrandir et

pour revenir sur cette page
|
|
|
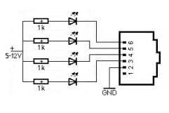
Schéma transistors
|
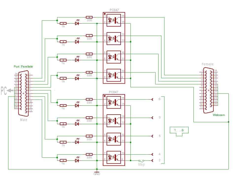
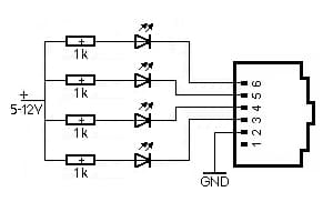
Schéma tout opto
|
|
|
|
Les éléments nécessaires
|
Préparation de la plaque à bandes métallisées
|
|
|
|
Plan de découpe de la plaque
|
Implantation des principaux composants
|
|
|
|
monter et souder la prise RJ
|
découper les ouvertures dans le boitier.
|
|
|
|
Plaque montée dans son boiter
|
Percer le couvercle pour leds et interrupteur
|
|
|
|
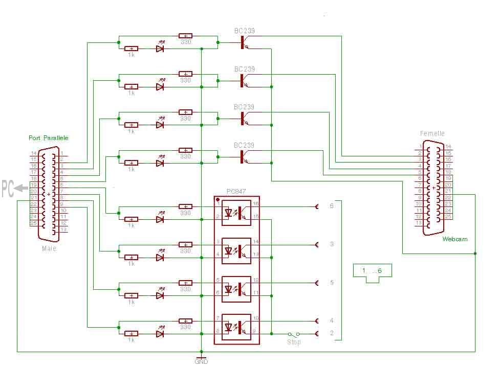
Le montage avec 2 transistors |
Soudure complète du circuit |
|
|
|
Insertion dans le boitier
|
Schéma de câblage
|
|
|
|
Vue de l'interface terminée
|
Détail des soudures sous la RJ et traversée du câble
|
Interface de contrôle du câble RJ en mode ST4
Lors d'une observation si une défaillance du processus d'autoguidage survient, il est bon de pouvoir contrôler rapidement
si le problème est situé côté monture. Cette petite interface permet de vérifier en un clin d'œil, si un signal de commande
parvient à la monture. Lancer un logiciel d'autoguidage exemple PHD Guiding et sélectionner la caméra "Simulator"
pour lancer un test de suivi, les leds doivent clignoter alternativement.
Si c'est le cas, votre PC donnent bien des ordres donc l'interface d'autoguidage et son câble sont hors de cause.
Il vous reste à vérifier que votre caméra de guidage fonctionne normalement et que le logiciel d'autoguidage
interprète correctement les données. Après cela malheureusement, on ne peut qu'incriminer la réception au niveau de la monture.
Mais avant de démonter le panneau de la monture assurez-vous d'avoir tout vérifié correctement.
|
(1) Non Connecte
|
Port Autoguider ST4 vu de face
|
(2) COM (masse)
(3) RA + (ou -)
(4) Dec + (ou -)
(5) Dec – (ou +)
(6) RA – (ou +)
|
|
|
|
|
Schéma testeur Port ST4
|
Vue côté soudures
|
|
|
|
Vue de dessus
|
Le tout est monté dans une boîte à pellicule photo
|
Invisible-Invisible-Invisible-Invisible-Invisible-Invisible-Invisible-Invisible-Invisible-Invisible-Invisible-Invisible-Invisible-Invisible-Invisible-Invisible-Invisible-Invisible-Invisible-Invisible-Invisible-Invisible-Invisible-Invisible-Invisible-Invisible