Le Timer 555
electronique titre

Le célèbre timer 555 est un circuit intégré créé en 1970, oui, 50 ans déjà et toujours d'actualité. Il s'en vend encore de nos jours près d'un milliard d'unités par an.

Pour commencer, je vous conseille de visualiser le 555 revisité en 3D d'Abdelhak ZIDOUNI :

https://youtu.be/dss_2Z5HUwU

À regarder en 720p et... jusqu'au bout... Animation très bien réalisée.

Ensuite, je vous suggère une visite sur le site Evil Mad Scientist: Le KIT

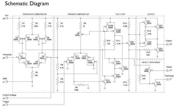
The “Three Fives” Discrete 555 Timer : Un circuit d'expérimentation, simulant un 555, absolument génial pour le milieu éducatif, très utile pour comprendre le fonctionnement de ce fabuleux composant. Sachez que je n'ai aucun lien quel qu'il soit avec ce site, mais franchement pour l'éducation rien de tel.

Je l'utilise en particulier pour faire un circuit à double impulsion pour ma soudeuse de pack de batteries 18650.

soudeuse

soudeuse